
Все характеристики

Все характеристики

Все характеристики
Оставьте Ваш телефон и мы перезвоним Вам для уточнения и расчета заказа

Все характеристики
Показано 1-4 из 4
Уважаемые покупатели! Информация о цене и наличии товаров в нашем каталоге носит исключительно информационный характер и не является публичной офертой, определяемой положениями Статьи 437 ч.2 Гражданского кодекса Российской Федерации. Чтобы узнать точную цену и наличие интересующей вас продукции, свяжитесь с нашими менеджерами.
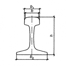
Рудничные рельсы длина (м) 24.92 в Уфе — приобрести оптом из наличия и под заказ на сайте компании «РосТехКомплектация». В наличии на складе более 10000 наименований металлопроката и оборудования. Уточняйте цену, наличие и условия доставки по телефону в Уфе ☎️ +7 (347) 201-98-94 или по электронной почте ✉️ ufa@pp-rtk.ru.
В «РосТехКомплектация» вся продукция проходит обязательную сертификацию. Работаем по российским и зарубежным стандартам ГОСТ, ТУ, ASTM, EN, DIN.
Быстрая доставка по г. Уфа и области или самовывоз со склада. Мы готовы организовать доставку продукции на объекты строительства или производства, что позволит Вам значительно сократить время и затраты на транспортировку товара. Работаем с ведущими транспортными компаниями – СДЭК и Деловыми Линиями.
Работаем по 100% предоплате. При заказе большого объема продукции оплата может быть осуществлена по факту получения груза.
Отсрочка платежа до 60 дней после проверки платежеспособности организации.